Filtro de membrana de acetato de celulosa (AC) 11107-293------G

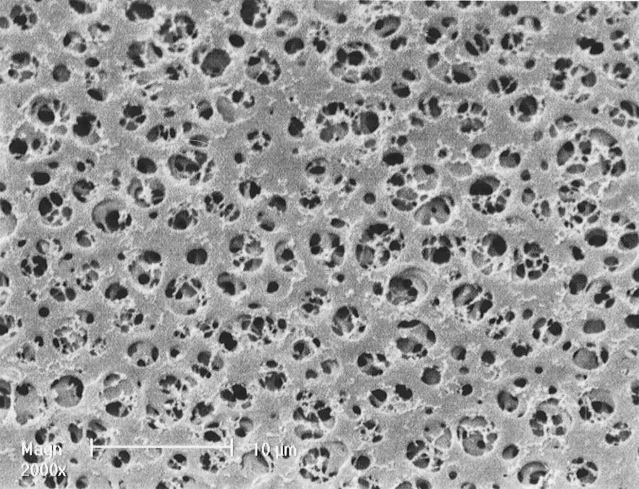
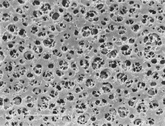
Las membranas de acetato de celulosa combinan altas velocidades de flujo y estabilidad térmica con una adsorción muy baja, por lo que son idóneas para su uso en dispositivos de filtración a presión. La membrana de 0.2 μm es el filtro ideal para la filtración estéril de soluciones acuosas como medios de cultivo, tampones y sueros. Los resultados de adsorción que se han publicado son difíciles de correlacionar, ya que en las pruebas se utilizaron en general sustancias, condiciones y métodos de detección diferentes, y las membranas se sometieron a prueba sin haber sido esterilizadas.

Marca: Sartorius
PN: 11107-293------G
USD 819,19 + IVA (21%)
increase decrease
Disponibilidad: En stock

Propiedades del producto

Diámetro
293 mm
Color | Color de cuadrícula
blanco (sin cuadrícula) 
Material
Membrana de acetato de celulosa (CA)
Reacción al agua
Hidrofílico
Tipo
Filtro de membrana 
Embalaje
Sin esterilizar, empaquetado a granel
Tamaño del poro
0,2 µm
Tamaño del paquete
25

Características técnicas

Adsorción
BSA <10µg/cm²
0,2 µm Punto de burbuja
> 2.9 bares cuando se mide con un medidor automático de la integridad
0,45 µm punto de burbuja
1,9 bar
0.65 µm de tamaño de poro
1.3bar (18.9psi) 
0.8 µm
0.8bar (11.6psi) 
1,2 µm punto de burbuja
0,6 bar
5 µm punto de burbuja
0,3 bar
0.2 µm
24ml/min/bar 
0.45 µm
69ml/min/bar 
0.65 µm de tamaño de poro
130ml/min/bar 
0.8 µm
200ml/min/bar 
Esterilización
En autoclave a 121 °C o 134 °C, radiación gamma a 25 kGy, calor seco u óxido de etileno
Espesor conforme a DIN 53105
120 µm
Números CAS
9004-35-19
Tamaño del paquete
25
 

Membranas Estériles para Microbiología

Membranas para filtración

*
*
*